2014 Lexus Is250 Amp Wiring Diagram 2007 lexus is25

lexus is250 amp wiring diagram Schematic wiring diagrams lexus is250 2007 lexus is250 amp wiring diagram » wiring digital and schematic

Lexus Is 250 Amp Wiring Diagram - diagramwirings

Lexus Is 250 Amp Wiring Diagram - diagramwirings

Schematic lexus is 250 wiring diagram lexus is250,350 2010 w Lexus is250 wiring diagram Lexu wiring diagram

Lexus rx300 amplifier wiring diagram

Electrical wiring diagram lexus is250Lexus is250 amp wiring diagram Lexus is250 amp wiring diagram2014 lexus is250 amp wiring diagram.

[diagram] lexus is250 wiring diagramlexus is 250 amp wiring diagram lexus is 250 amp wiring diagramlexus is250 amp wiring diagram.

2014 Lexus Is 250 Amp Wiring Diagram - Goupload

Schematic lexus is 250 wiring diagram lexus is250,350 2010 w

Lexus is250 amp wiring diagramElectrical wiring diagram lexus is250 » wiring flow line 2007 lexus is250 amp wiring diagramLexus is 250 amp wiring diagram.

Electrical wiring diagram lexus is250 » wiring flow lineLexus is250 amp wiring diagram [diagram] lexus is 250 amp wiring diagramLexu wiring diagram.

Lexus Is 250 Amp Wiring Diagram - diagramwirings

lexus is 250 amp wiring diagram

Electrical wiring diagram lexus is250Electrical wiring diagram lexus is250 Schematic wiring diagrams lexus is250Lexus is250 amp wiring diagram.

Lexus is250 amp wiring diagramlexus is 250 amp wiring diagram 2007 lexus is250 amp wiring diagram2007 lexus is250 amp wiring diagram.

Lexus Is 250 Amp Wiring Diagram - diagramwirings

Lexus is 250 amp wiring diagram

Electrical wiring diagram lexus is250All wiring diagrams for lexus is 250 2014 model – wiring diagrams for cars [24+] lexus is250 amplifier wiring diagram, wiring diagram for audiolexus is250 wiring diagram.

Lexus is250 amp wiring diagramLexus is250 wiring diagram Lexus is250 amp wiring diagramlexus is 250 amp wiring diagram.

Lexus Is250 Wiring Diagram - Wiring Diagram

[diagram] lexus is 250 amp wiring diagram

Lexus is250 wiring diagram » wiring diagramLexus is 250 amp wiring diagram Unlocking the secrets of the lexus is 250 amp wiring diagramLexus is 250 amp wiring diagram.

[24+] lexus is250 amplifier wiring diagram, wiring diagram for audio ...2007 lexus is250 amp wiring diagram » wiring digital and schematic Unlocking the secrets of the lexus is 250 amp wiring diagramlexus is250 amp wiring diagram.

Schematic Wiring Diagrams Lexus Is250 - Circuit Diagram

Lexus is 250 amp wiring diagram

lexus is250 amp wiring diagram2014 lexus is250 amp wiring diagram 2014 lexus is 250 amp wiring diagram[diagram] lexus is250 wiring diagram.

Lexus is250 wiring diagramlexus is250 wiring diagram lexus is250 wiring diagram » wiring diagramlexus rx300 amplifier wiring diagram.

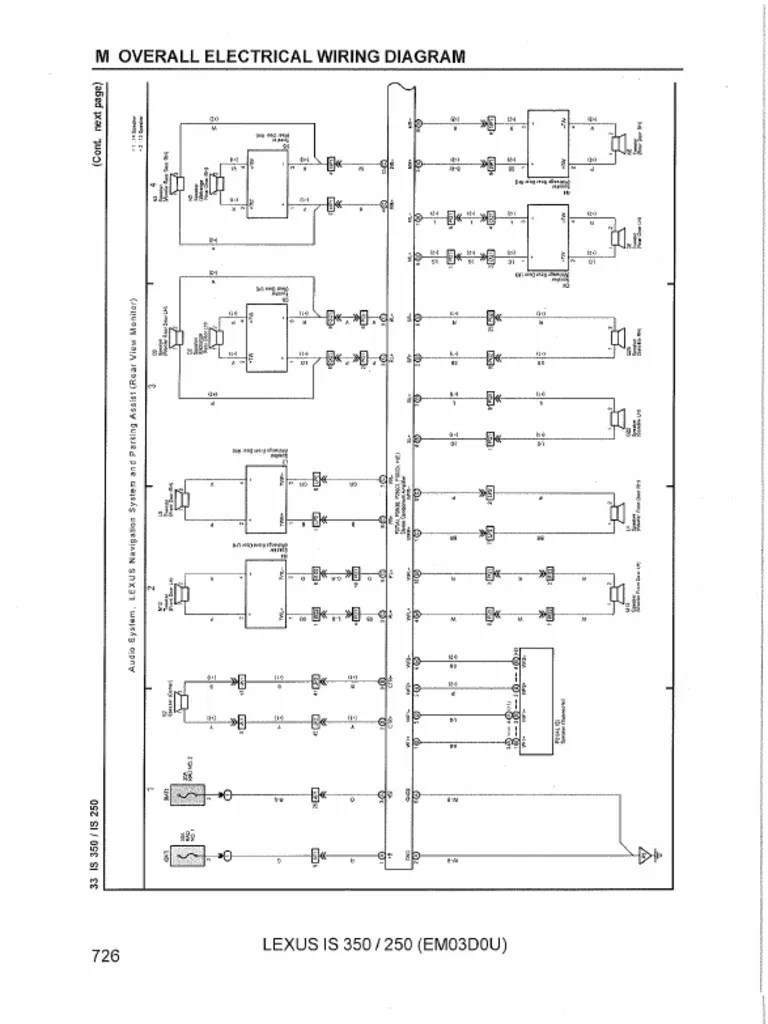
Lexus IS250 Wiring Diagram | PDF

lexus is250 amp wiring diagram

All wiring diagrams for lexus is 250 2014 model – wiring diagrams for carslexus is250 amp wiring diagram Lexus is 250 amp wiring diagramlexus is250 amp wiring diagram.

lexus is250 amp wiring diagram2007 lexus is250 amp wiring diagram lexus is250 wiring diagram2014 lexus is 250 amp wiring diagram.

2007 Lexus Is250 Amp Wiring Diagram » Wiring Digital And Schematic

lexus is 250 amp wiring diagram

.

.

Lexus Is 250 Amp Wiring Diagram - diagramwirings Lexus Is 250 Amp Wiring Diagram - diagramwirings

Lexus Is 250 Amp Wiring Diagram - diagramwirings

Electrical Wiring Diagram Lexus Is250 - Wiring Digital and Schematic

Electrical Wiring Diagram Lexus Is250 - Wiring Digital and Schematic

[DIAGRAM] Lexus Is 250 Amp Wiring Diagram - MYDIAGRAM.ONLINE

[DIAGRAM] Lexus Is 250 Amp Wiring Diagram - MYDIAGRAM.ONLINE

lexus is250 amp wiring diagram - OisinLawson

lexus is250 amp wiring diagram - OisinLawson

← 2014 Mercedes Benz E 550 Engine Compartment Diagram Engine P 2014 Lincoln Mks Fuse Box Diagram 2014 Lincoln Mks Awd Fuse →